قفل درب کابینت صنعتیجزء محافظ کلیدی کابینت توزیع، کابینت ارتباطات، جعبه کنترل و سایر تجهیزات است که مستقیماً با ایمنی اجزای الکتریکی داخلی و عملکرد پایدار سیستم مرتبط است.
به منظور برآورده ساختن نیازهای متنوع زمان تحویل و مشخصات پروژه های مختلف، شرکت ما همیشه پنج نوع قفل متداول در انبار دارد --قفل نوار بلند, قفل پنل, قفل کنترل میله, قفل دسته,قفل زبان چرخشی. در عین حال، ما از هر قفل غیر استانداردی که مطابق نقشه ها یا نمونه ها سفارشی شده است پشتیبانی می کنیم که برای انواع جعبه های توزیع فلزی کاملاً مناسب است.
قفل هواپیما یکی از رایج ترین انواع قفل درب کابینت های صنعتی است که هم زیبا و هم نگهداری آسان. شرکت ما قفل هواپیما سری AB301، AB302، AB303، AB402، AB403 را راه اندازی کرد، در استحکام ساختاری، عملکرد حفاظتی و احساس عملیاتی طراحی متفاوت، می تواند مشخصات مختلف جعبه توزیع، الزامات نصب کابینت کنترل را برآورده کند.
| ابعاد | شماره محصول | |||||||
| L1 | L2 | L3 | B1 | B2 | آبکاری کروم خاکستری | اسپری رنگ خاکستری | روکش پودری سیاه | وزن (گرم) |
| 147 | 117 | 72 | 33 | 26.5 | AB301-1-1.2 | AB301-1-1.8 | AB301 | 370 |
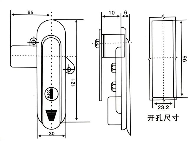
| 120.5 | 95.5 | 65 | 30 | 23.5 | AB301-2-1.2 | AB301-2-1.8 | AB302 | 290 |
| 87.5 | 62.5 | 65 | 28.5 | 23.5 | AB301-3-1.2 | AB301-3-1.8 | AB303 | 215 |
مواد اصلی: آلیاژ روی.
درمان سطح: کروم روشن، مات، مشکی.
عملکرد و استفاده: باز شدن درب چپ و راست، آسان برای استفاده، با آب بندی و عملکرد ضد آب.
مواد اصلی: آلیاژ روی.
درمان سطح: کروم روشن، مات، مشکی.
عملکرد و استفاده: باز شدن درب چپ و راست، آسان برای استفاده، با آب بندی و عملکرد ضد آب.
جنس: بدنه قفل آلیاژ روی، شفت دوار، پیچ فولادی گالوانیزه، صفحه فشار.
درمان سطح: نانو اسپری خاکستری نقره ای.
توضیحات ساختار: 90 درجه بچرخانید تا باز یا قفل شود.
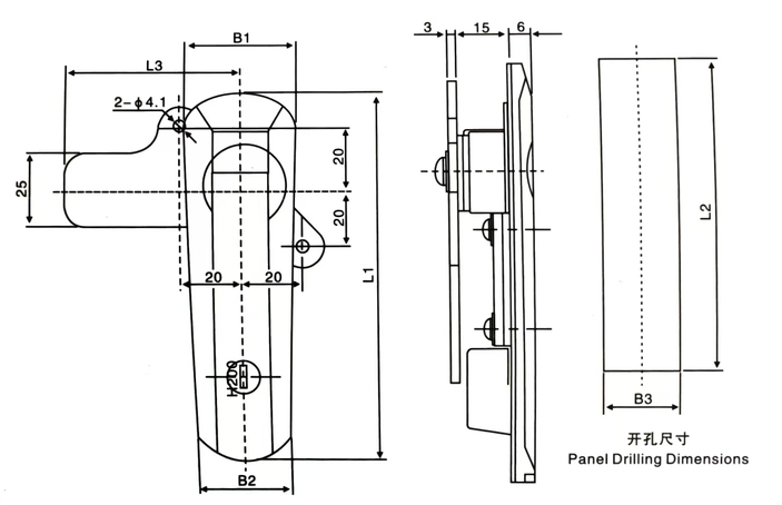
| مدل | L1 | L2 | L3 | B1 | B2 | B3 |
| AB402-A جدید | 123 | 95.5 | 65 | 36.5 | 30 | 23.5 |
| AB403-A جدید | 91 | 62.5 | 65 | 33 | 28.5 | 23.5 |
| AB401-A جدید | 151 | 117 | 72 | 36 | 30 | 26.5 |
